Elevator Control System Device Center Opening PM Door OperatorCenter opening PM door operatorUsing PM motor, large rotary torque, high eficiency, energy savingUsing motor synchronous with direct drag mode to transfer torque, more compact designStrongly comfortable feelings of adjusting speed, achiev......
Center opening PM door operator
Using PM motor, large rotary torque, high eficiency, energy saving
Using motor synchronous with direct drag mode to transfer torque, more compact design
Strongly comfortable feelings of adjusting speed, achieve the completely closed loop control of the torque, speed and position.
Using asyn. door clutch, optional car door lock, car frame, top,front wall installation
Total door panel weight≤160kg; Voltage:200-250 V, 50 /60 Hz
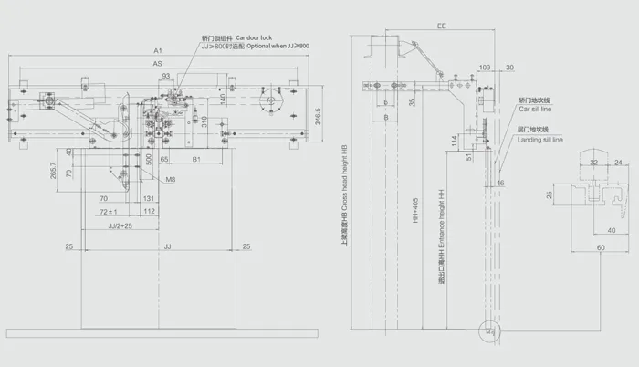
| JJ | 700 | 750 | 800 | 850 | 900 | 950 | 1000 | 1050 | 1100 | 1150 | 1200 |
| A1 | 1440 | 1540 | 1640 | 1740 | 1840 | 1940 | 2040 | 2140 | 2240 | 2340 | 2440 |
| B1 | 225 | 250 | 275 | 300 | 325 | 350 | 375 | 400 | 425 | 450 | 475 |
Overall dimensions






Passenger Elevator with Gearless Traction Machine, Support Professional Sevice
Xizi Gearless Traction Home Passenger Elevator Lift with Small Machine Room
Vertical Disable Elderly House Elevator Platform Hydraulic Home Villa Wheelchair Residential Passenger Observation Glass Scenic Panoramic Sightseeing Lift
Compactdesign and Energy Saving Small Machine Room Passenger Elevator Lift
FUJI China Factory Passenger Elevator Home Goods Lift with with Cheap Price Vvvf Control Residential Lift
Home Elevator Lift Price/Residential Elevator /Villa Elevator for Private Home Elevator/ Passenger Elevator